انواع چرخدنده های (گیربکس) اتوماتیک خودرو
18 آبان 1397
پروژه آموزشی پردازش تصویر – شبیه سازی مقاله پردازش تصویر: پنهان نگاری در تصویر، بهبود تکنیک کم ارزش ترین بیت
18 آبان 1397پروژه آموزشی ماشین های الکتریکی – شبیه سازی مقاله در زمینه ماشین سنکرون
بر اساس مقاله
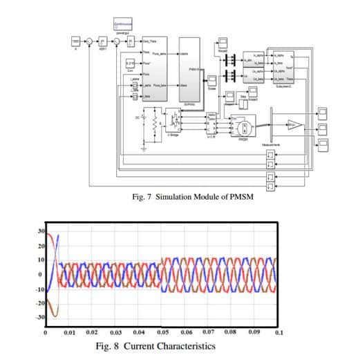
MODIFIED SVPWM BASED TORQUE RIPPLE REDUCTION IN PERMANENT MAGNET SYNCHRONOUS MOTOR
M. Kalavathy 1, K. Thangarajan 2, M.Vidhya 3 and S. S. Sivaraju 4
سال انتشار 2017
به همراه فایل اصل مقاله، شبیه سازی مقاله در متلب و گزارش پروژه در 21 صفحه به فرمت ورد و فایل ویدئوی راهنمای شبیه سازی در متلب
مقاله در مورد ماشین های سنکرون است.
مناسب برای ارائه به عنوان
-
پروژه آموزشی تئوری جامع ماشین های الکتریکی
-
پروژه آموزشی ماشین 1
-
پروژه آموزشی ماشین الکتریکی 2
-
پروژه آموزشی کنترل برق قدرت
-
پروژه آموزشی درایو ماشین های الکتریکی
-
شبیه سازی مقاله برق قدرت با متلب
۵۳۹,۰۰۰ تومان
چکیده :
در حالت ثابت موتور PMSM زمانی که از مدار کنترلی (DTC) استفاده می شود گشتاور کاهش می یابد. این منجر به وخامت عملکرد سیستم می شود. برای رفع این مشکل، این مقاله یک روش مدولاسیون (SVPWM) را با معرفی بازخورد سریع ارائه می دهد. در استراتژی پیشنهادی، پیش بینی جریان شار استاتور به دو بخش تقسیم می شود که می تواند کارآیی کنترل کننده PI را موثرتر و بهتر کند. طرح DTC یک روش کنترل بدون سنسور است. پیاده سازی آن به اطلاعات موقعیت لحظه ای روتور نیاز ندارد و فقط نیاز به موقعیت اولیه دارد. علاوه بر این، موقعیت اولیه توسط یک روش به نام تزریق ولتاژ با فرکانس بالا بدست می آید. در سال های اخیر عملکرد DTC با استفاده از تکنیک SVPWM بسیار بهبود یافته است. با ترکیبی از SVPWM، ریپل گشتاور می تواند به مقدار قابل قبول کاهش یابد، به خصوص در دامنه کم سرعت PMSM. نتایج شبیه سازی نشان می دهد که هر دو حالت سرعت ثابت و سیستم دینامیکی پویا با روش کنترل پیشنهاد شده بهبود می یابند. یک روش موثر برای کاهش موج گشتاور، اینکه ابتدا بردار ولتاژ مرجع برای تولید مقادیر گشتاور و شار محاسبه می شود و سپس به اینورتر با استفاده از SVPWM اعمال می شود. این رویکرد در ادبیات به عنوان DTC-SVPWM شناخته شده است. این مقاله یک روش ساده برای محاسبه بردار ولتاژ مرجع ارائه می دهد که در روش DTC قسمت مربوط به کنترل گشتاور جدا شده و کنترل جریان را حفظ می کند.








دیدگاهها
هیچ دیدگاهی برای این محصول نوشته نشده است.